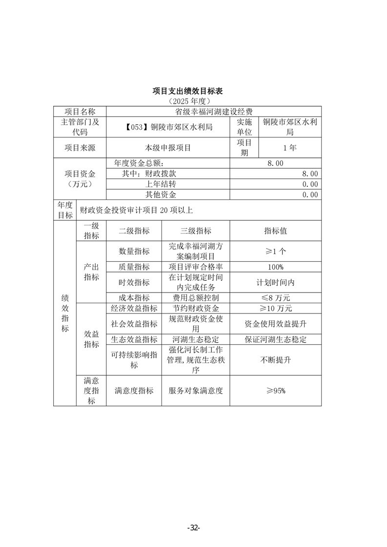
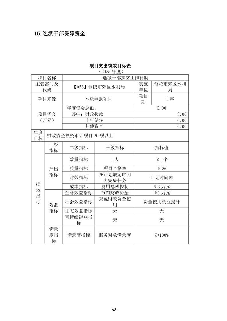
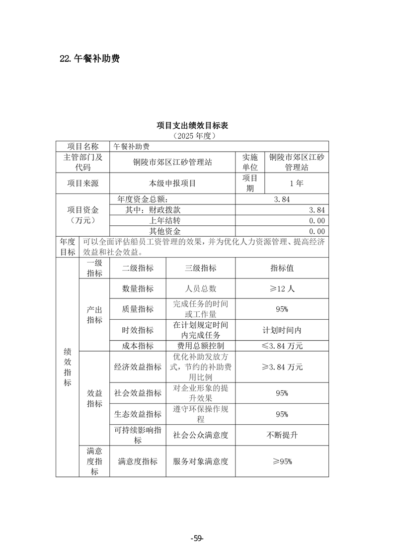
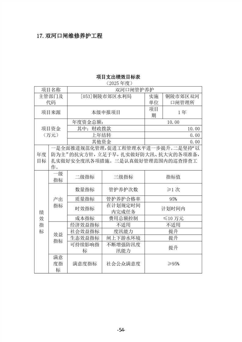
郊区水利局
登录
注冊
长者版
|
无障碍
I
繁体中文
您现在所在的位置:
网站首页
>
政府信息公开首页
>
郊区水利局
>
财政资金
>
部门预算情况
索引号:
11340711MB1624202B/202502-00002
组配分类:
部门预算情况
发布机构:
郊区水利局
主题分类:
农业、林业、水利
名称:
铜陵市郊区水利局2025年部门预算公开
文号:
无
发布日期:
2025-02-26
有效性:
有效
铜陵市郊区水利局2025年部门预算公开
发布时间:2025-02-26 10:47
来源:郊区水利局
浏览次数:
字体:[
大
中
小
]
文本下载
用微信扫描二维码
分享至好友和朋友圈
×
附件:铜陵市郊区水利局2025年部门预算公开.pdf【535.29 KB】