郊区市场监督管理局
登录
注冊
长者版
|
无障碍
I
繁体中文
您现在所在的位置:
网站首页
>
政府信息公开首页
>
郊区市场局
>
行政权力运行
>
行政权力运行结果
>
行政许可
索引号:
11340711F11220227W/202412-00073
组配分类:
行政许可
发布机构:
郊区市场监督管理局
主题分类:
市场监管、安全生产监管
名称:
行政审批服务指南——分公司设立登记
文号:
无
发布日期:
2024-12-27
有效性:
有效
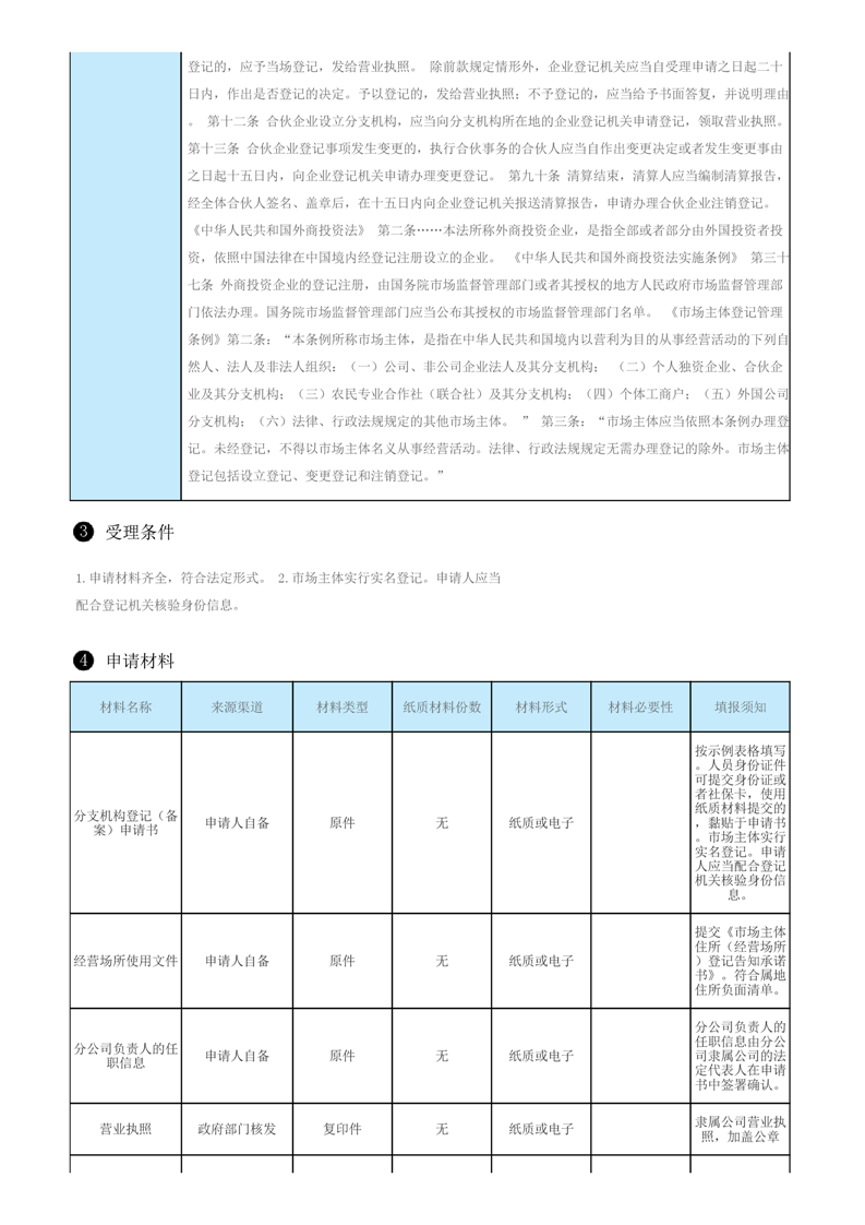
行政审批服务指南——分公司设立登记
发布时间:2024-12-27 16:57
来源:郊区市场监督管理局
浏览次数:
字体:[
大
中
小
]
文本下载
用微信扫描二维码
分享至好友和朋友圈
×